Задвижка дисковая (ЗД) в Петропавловске
Задвижка дисковая

Задвижки стальные с дисковым шибером предназначены для использования в качестве запорного устройства в оборудовании обвязки устья скважин, фонтанных и нагнетательных арматурах, трубопроводах с температурой транспортируемой среды не более +120°С.
Рабочая среда - природный газ, вода, пар, нефть, нефтепродукты, жидкие среды, нейтральные к материалам деталей, соприкасающихся со средой.
Производятся по СТ 1896-е-1948-01-ТОО-20-01-2018.
Климатическое исполнение - У1, XЛ1, УХЛ1 по ГОСТ 15150-69. Задвижки дисковые предназначены для эксплуатации на открытом воздухе в следующих макроклиматических районах с категорией размещения 1 по ГОСТ 15150: с умеренным климатом - исполнение У(N); с холодным климатом - исполнение XЛ(F); с умеренным и холодным климатом - исполнение УХЛ(NF).
|
Климатическое исполнение |
Температура воздуха, °С |
|
|
верхнее значение |
нижнее значение |
|
|
У(N) |
плюс 45 |
минус 40 |
|
ХЛ(F)/УХЛ(NF) |
плюс 40 |
минус 60 |
Класс герметичности: А по ГОСТ 9544-2015
Направление подачи рабочей среды - любое.
Установочное положение задвижек - любое.
Управление задвижкой осуществляется с помощью рукоятки.
Присоединение к трубопроводу - фланцевое по ГОСТ 28919-91 (РД26-16-40-89).
Задвижки имеют указатель для визуального контроля крайних положений диска.
Задвижки предназначены для работы при крайних положениях затвора «открыто» или «закрыто».
Технические данные
| Наименование | Значение | |
|---|---|---|
| ЗД-65x21 | ЗДШР-65x21 | |
| Условный проход, мм | 65 | |
| Условное давление, МПа | 21, 35 | |
| Класс герметичности затвора по ГОСТ9544-2015 | A | |
| Диаметр условного прохода отверстий (штуцеров) в шибере, мм | 65 | 3;4;5;6;8;10;12;25 |
| Присоединяемые размеры фланца | По ГОСТ 28919-91 (РД 26-16-40-89) | |
| Рабочая среда | Вода техническая, пластовая, сточная; нефть с объемным содержанием CO2 и H2S до 0,003%; неагрессивный природный газ, содержащий жидкие углеводороды, этиленгликоль, турбинные масла, углекислый газ, воду и механические примеси | |
| Температура рабочей среды не более | +120°С | |
| Температура окружающей среды | -60°С до +40°С | |
| Масса, кг, не более | 55 | |
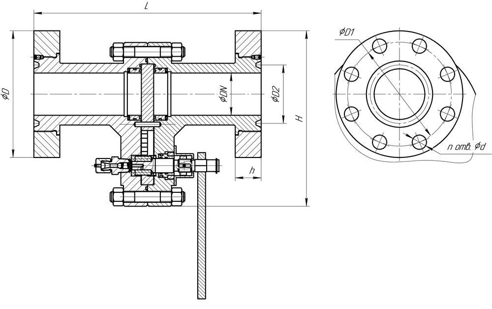
Основные размеры
|
Условное обозначение |
DN, мм |
PN, МПа |
L, мм |
D, мм |
D1, мм |
D2, мм |
d, мм |
n, шт |
H, мм |
h, мм |
Масса, кг |
|
ЗД 65х21 |
65 |
21 |
350 |
195 |
160 |
90 |
22 |
8 |
270 |
40 |
55 |
|
ЗД 65х35 |
35 |
