post_info@pmz.asia
+7 (7152) 54-01-34

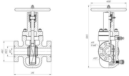
Задвижка шиберная (ЗМС) 50x14 в Петропавловске






Задвижка шиберная (ЗMC) 50x14


Назначение для установки на фонтанной и нагнетательной арматуре

для герметизации устья фонтанных и газлифтных скважин,

а также на технологических линиях.

Наименование

Значение

Проход условный, DN, мм

50

Давление рабочее, РN, МПа

14

Температура рабочей среды, °С

до + 220

Климатическое исполнение по ГОСТ 15150-69

ХЛ, УХЛ

Температура окружающей среды, °С

от -60 до +40

Рабочая среда

Пар,

продукция нефтяных и газовых скважин с содержанием механических примесей до 0,5% по объёму, суммарным содержанием СО2 и Н2S до 0,003% и до 50% пластовой воды с температурой от минус 5 до +120°С.

Тип соединения в арматуре 

Фланцевое по ГОСТ 28919-91

Масса, кг, не более

50